Universal Sismik Askı
UL Listeli ve FM onaylı Universal Sismik Askı, sismik veya diğer yıkıcı türdeki olaylara yönelik olarak bağlantı borusu asma sırasında kurulumu kolaylaştırmak için yapılan en yeni inovasyondur.
• Cıvataları gevşetip boruda kaydırarak Standart Universal Sismik Askıyı borunun çevresine yerleştirin. Cıvatayı deliğe geçirin, somunu takın ve sıkın.
• Askı poziyonunu ayarlayın ve iyice sabitlenene kadar somunları sıkın.
• Standart Universal Sismik Askıyı, ön montajlı askı borusuna takın ve askı borusundaki cıvatayı başı kopana kadar sıkın.


Önce üst somunu sıkın.

Civata kopana kadar ayar vidasını sıkın.
• Malzeme : Çelik
• Kaplama : Elektro Galvaniz
• Onay : UL -FM, HCAI Onaylı
• Hem yanal hem de boyuna salınım destek uygulamalarında kullanılır.
• Kopma baslı civata, kolay montaj ve denetim mkânı saglar.
• 1" ila 2" (25,4 mm – 50,8 mm) destek boruları ile uyumludur.
• 12 gauge veya daha kalın Tip A katı profili (solid strut) destek elemanı olarak kullanır.
• NFPA®-13 ve CEN/TS 1755:2021 gerekliliklerini karşılar.

|
Kod /Code |
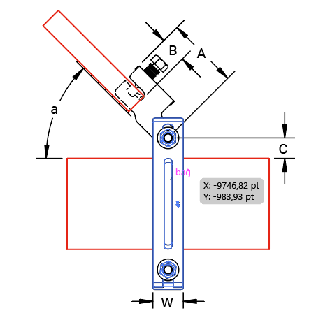
Boru Ölçüsü Pipe Size |
A (mm) |
B (mm) |
C (mm) |
D (mm) |
| 3100404385 | 1" | 90.5 | 33.3 | 15.88 | 127.00 |
| 3100404386 | 1 1/4" | 90.5 | 33.3 | 17.46 | 139.70 |
| 3100404387 | 1 1/2" | 90.5 | 33.3 | 19.05 | 136.53 |
| 3100404388 | 2" | 90.5 | 33.3 | 20.64 | 152.40 |
| 3100404389 | 2 1/2" | 90.5 | 33.3 | 23.81 | 171.45 |
| 3100404390 | 3" | 90.5 | 33.3 | 25.40 | 187.33 |
| 3100404391 | 4" | 90.5 | 33.3 | 17.46 | 215.90 |
| 3100404392 | 5" | 90.5 | 33.3 | 25.40 | 269.88 |
| 3100404393 | 6" | 90.5 | 33.3 | 28.58 | 276.23 |
| 3100404394 | 8" | 90.5 | 33.3 | 31.75 | 330.20 |
| 3100404395 | 10" | 90.5 | 33.3 | 25.40 | 385.76 |
UL Yükleri / UL Loads
| Kod Code |
Boru Ölçüsü Pipe Size |
Enine / Lateral | Boyuna / Longitudinal | ||
| Sch 10 Bağlantı Borusu Sch 10 Service Pipe | Sch 40 Bağlantı Borusu Sch 40 Service Pipe | Sch 10 Bağlantı Borusu Sch 10 Service Pipe | Sch 40 Bağlantı Borusu Sch 40 Service Pipe | ||
| 3100404385 | 1" | 8006 N | 8006 N | 4448 N | 4448 N |
| 3100404386 | 11/4" | 8006 N | 8006 N | 3024 N | 3024 N |
| 3100404387 | 11/2" | 8006 N | 8006 N | 4448 N | 4448 N |
UL Yükleri / UL Loads
| Kod Code |
Boru Ölçüsü Pipe Size |
Enine / Lateral | Boyuna / Longitudinal | ||
| Sch 10 Bağlantı Borusu Sch 10 Service Pipe | Sch 40 Bağlantı Borusu Sch 40 Service Pipe | Sch 10 Bağlantı Borusu Sch 10 Service Pipe | Sch 40 Bağlantı Borusu Sch 40 Service Pipe | ||
| 3100404388 | 2" | 8006 N | 8006 N | N/A | N/A |
| 3100404389 | 21/2" | 8006 N | 8006 N | 5782 N | 5782 N |
| 3100404390 | 3" | 8006 N | 8006 N | 5782 N | 5782 N |
| 3100404391 | 4" | 8006 N | 8006 N | 6227 N | 6227 N |
| 3100404392 | 5" | 8006 N | 8006 N | 7561 N | 7561 N |
| 3100404393 | 6" | 8006 N | 8006 N | 7561 N | 7561 N |
| 3100404394 | 8" | 8006 N | 8006 N | 7561 N | 7561 N |
| 3100404395 | 10" | 8451 N | 8451 N | 8451 N | 8451 N |
FM Yükleri / FM Loads (Lightwall, Sch 10 & Sch 40)
| Kod Code |
Boru Ölçüsü Pipe Size |
Dikey Kurulum Açısı Başına Yatay Kapasite / Horizontal Capacity per Installation Angle From Vertical | |||||||
| Enine / Lateral | Boyuna / Longitudinal | ||||||||
| 30°-44° 0° | 45°-59° | 60° 74° | 75° - 90° | 30°-44° | 45°-59° | 60° 74° | 75° - 90° | ||
| 3100404385 | 1" | 6620 N | 9380 N | 11470 N | 12890 N | 5730 N | 5510 N | 5600 N | 6220 N |
| 3100404386 | 11/4" | 6130 N | 8710 N | 10670 N | 11960 N | 5730 N | 5510 N | 5600 N | 6220 N |
| 3100404387 | 11/2" | 6130 N | 8710 N | 10670 N | 11961 N | 5330 N | 8270 N | 9690 N | 10000 N |
| 3100404388 | 2" | 6130 N | 8711 N | 10670 N | 11962 N | 5330 N | 8270 N | 9690 N | 10000 N |
| 3100404389 | 2 1/2" | 6400 N | 9020 N | 11070 N | 12410 N | 5870 N | 8090 N | 9740 N | 11120 N |
| 3100404390 | 3" | 6180 N | 8760 N | 10760 N | 12050 N | 5780 N | 7960 N | 9740 N | 11120 N |
| 3100404391 | 4" | 6180 N | 8761 N | 10760 N | 12050 N | 5780 N | 7960 N | 9740 N | 11120 N |
| 3100404392 | 5" | 6180 N | 8762 N | 10760 N | 12050 N | 5780 N | 7960 N | 9740 N | 11120 N |
| 3100404393 | 6" | 6490 N | 9160 N | 11200 N | 12580 N | 6270 N | 8670 N | 10450 N | 11920 N |
FM Yükleri / FM Loads (0.188" Wall and Sch 40 Servİce Pipes)
| Kod Code |
Boru Ölçüsü Pipe Size |
Dikey Kurulum Açısı Başına Yatay Kapasite / Horizontal Capacity per Installation Angle From Vertical | |||||||
| Enine / Lateral | Boyuna / Longitudinal | ||||||||
| 30°-44° | 45°-59° | 60° 74° | 75° - 90° | 30°-44° | 45°-59° | 60° 74° | 75° - 90° | ||
| 3100404394 | 8" | 5910 N | 8360 N | 10230 N | 11470 N | 6220 N | 8540 N | 10450 N | 11740 N |
| 3100404395 | 10" | 5910 N | 8360 N | 10230 N | 11470 N | 6220 N | 8540 N | 10450 N | ,11740 N |


