Çelik Konstrüksiyon Bağlantı Adaptörü - DBA
Enine ve boyuna sismik askılama uygulamalarında kullanım için tasarlanmıştır.
• Bağlantı aksesuarı olarak DSA Adaptör kullanılır.
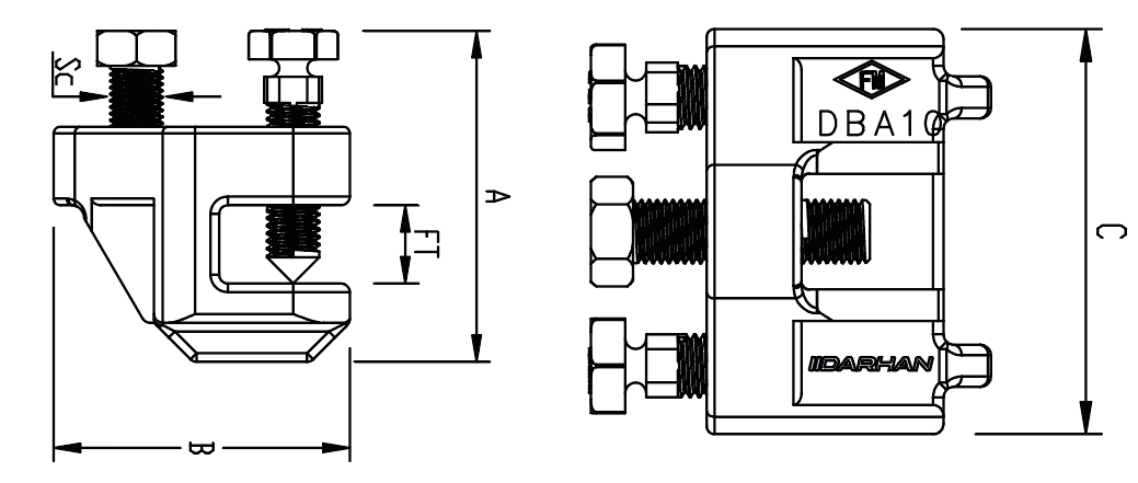
• Cıvatanın montaj torku 50–65 N·m’dir.
• H profili kavradıktan sonra, kesme cıvatası başı kopana kadar sıkılır.
• H profilin maksimum kalınlığı 16 mm’dir.

• Malzeme : Döküm
• Kaplama : Elektro Galvaniz
• Onay : FM Onaylı
• Enine ve boyuna sismik askılama uygulamalarında kullanım için tasarlanmıştır.
• Bar kirişlerine veya açılı demirlere monte edilebilir.
• Yay tutucusu, pozisyonlama kolaylığı sağlar.
• Kopmalı cıvata başı, sismik askıların kolayca kurulup kontrol edilebilmesini sağlar.
• Montaj gerektirmez, gevşek parça içermez.
• NFPA 13 standardına ve montaj talimatlarına uygun olarak kurulmalıdır.

| Kod Code |
Destek Elemanı Brace Member |
Flanş Kalınlığı Flange (FT) |
Vida Çapı Screw Size |
A (mm) |
B (mm) |
C (mm) |
|||
| 37000DSA10 | 1" SCH40 Boru / Pipe | 18 | 1/2" | 80 | 54 | 75 | |||


